產品簡介
芯數:有2、3、4、5、6、7、8芯七種規格
采用橡膠注塑,面板安裝采用黃銅或不銹鋼,具有體積小、質量輕、耐磨、高可靠性和實用性
與Impulse等公司的Mini Wet pluggable在性能方面可以互換
主要應用于海洋研究、海洋石油、水下工程設備、國防武器系統等領域,水下電視、照明、潛水通訊、水下機器人、拖拽列陣、測流計、海洋動物跟蹤等的水下傳輸和監控網絡
執行企業標準:Q/ZH.J1055《JW1系列深海水密電連接器詳細規范》
技術性能
環境溫度:-5℃~+65℃
阻燃等級: UL94- V0
鹽霧: 500h
工作水深: 7000米
機械壽命:≥500次
開面耐壓:70Mpa(穿墻插座50Mpa)
配合耐壓:70MPa
振動:10Hz~500Hz;加速度,加速度147m/s2 ,電流瞬斷≤1μs
沖擊:加速度100g,半正弦波,持續時間11ms,電流瞬斷≤1μs
介質耐壓:1000V
絕緣電阻:≥200MΩ(300VDC)
接觸電阻:≤10mΩ
額定電流:5A(芯)、3A(3芯~8芯)
額定電壓:250V
型譜排列(從插孔對接端看)
訂貨標志
①JW ②1 ③L– ④7 ⑤T ⑥J
①:主稱代號:JW表示矩形水密電連接器;②:產品設計序號;
③:產品類別:L-電纜式,H–穿墻安裝,H1-90°穿墻安裝;D-空接頭;
④:接觸芯數:有2、3、4、5、6、7、8;
⑤:產品形式:T-插頭,Z-插座;
⑥:接觸件類別:K-孔,J-針;
標志示例
JW1L–7TJ:表示接觸件數目為7、插針插頭、接觸件尾端為電纜式的JW1深海水密矩形電連接器。
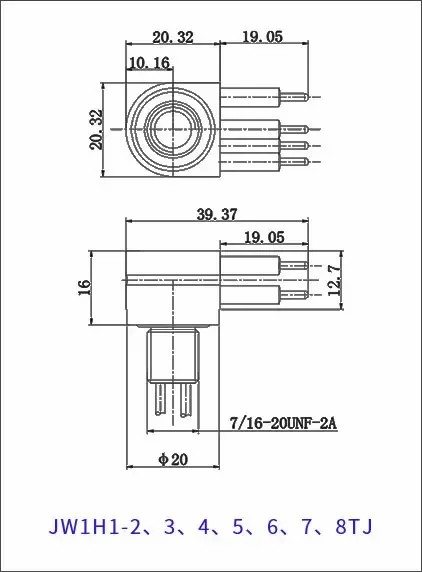
墻式安裝
| ▼ 插頭JW1H1-*TJ | ▼ 插座JW1H1-*ZK |
![]() | ![]() |
![]() | ![]() |
電纜式
| ▼ 插頭JW1L-*TJ | ▼ 插座JW1L-*ZK |
![]() | ![]() |
![]() | ![]() |
堵頭
| ▼ 針堵頭JW1D-*TJ | ▼ 孔堵頭JW1D-*ZK |
![]() | ![]() |
![]() | ![]() |